您的位置: 主页   产品中心   馈通式滤波器  交流、直流馈通滤波器
交流、直流馈通滤波器
交流、直流馈通滤波器
交流、直流馈通滤波器
交流、直流馈通滤波器
交流、直流馈通滤波器
交流、直流馈通滤波器

交流、直流馈通滤波器

● 贯穿舱壁安装
● 极低内部串联电感、自愈电介质
● 从KHz到GHz频率范围内提供高插入损耗

产品详情

特 点 Features

● 贯穿舱壁安装Through bulkhead installation

● 极低内部串联电感、自愈电介质Very low internal series inductance, self healing dielectric

● 从KHz到GHz频率范围内提供高插入损耗Extremely low internal series inductors

self-healing dielectrics provide high insertion loss in the frequency range from kHz to GHz


应 用 Application

● 开关电源、UPS电源Switching power supply, UPS power supply

● 交换机、通信基站Switch, communication base station

● 医疗设备Medical equipment 屏蔽室Shielding room


性能指标 Characteristcs

额定电压Rated voltage/工作频率Operating Frequency

130VAC 50/60HZ

300VAC 50/60HZ

蕞大直流额定电压Max DC rated voltage

650VDC

1000VDC

电容器等级Capacitor rating

Y4

Y2

耐压试验Test Voltage

1700VDC/2S

3000VDC/2S

气候类别Climate category

40/100/21


典型电气原理图 Typical electrical schematic


Fig.1 典型电气原理图Fig.20c9ac42513f537eb8e165b6f2b07b0f.png



产品型号表 Filter Table

型号

model

额定电压

Rated voltage

额定电流A

Rated curren

电容量nF

Capacitance

电感量nH

Inductance

电路图

Circuit diagram

YX-114-10-M3

130VAC

10

10

/

Fig.1

YX-114-16-M4

130VAC

16

470

/

Fig.1

YX-114-32-M4

130VAC

32

470

/

Fig.1

YX-114-63-M6

130VAC

63

100

/

Fig.1

YX-114-100-M8

130VAC

100

1000

/

Fig.1

YX-112-10-M3

300VAC

10

4.7

/

Fig.1

YX-112-16-M4

300VAC

16

100

/

Fig.1

YX-112-32-M4

300VAC

32

33

/

Fig.1

YX-112-63-M6

300VAC

63

10

/

Fig.1

YX-112-100-M8

300VAC

100

100

/

Fig.1

YX-124-10-M3

130VAC

10

100

70

Fig.2

YX-124-16-M4

130VAC

16

100

70

Fig.2

YX-124-32-M4

130VAC

32

100

70

Fig.2

YX-124-63-M6

130VAC

63

470

186

Fig.2

YX-124-100-M8

130VAC

100

1000

186

Fig.2

YX-122-10-M3

300VAC

10

47

70

Fig.2

YX-122-16-M4

300VAC

16

100

70

Fig.2

YX-122-32-M4

300VAC

32

100

70

Fig.2

YX-122-63-M6

300VAC

63

470

124

Fig.2

YX-122-100-M8

300VAC

100

1000

124

Fig.2


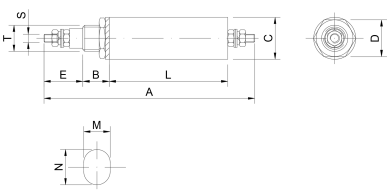
外形尺寸图 Outline Drawing : mm


交流馈通滤波器直流馈通滤波器


型号model

A

B

C

D

E

L

M

N

S

T

YX-114-10-M3

57

10

15

13

16

19

/

Ø10.3

M3

M10X1

YX-114-16-M4

82

16

32

27

18

33

18.3

Ø20.3

M4

M20X1

YX-114-32-M4

82

16

32

27

18

33

18.3

Ø20.3

M4

M20X1

YX-114-63-M6

96

14

25

22

26

30

14.3

Ø16.3

M6

M16X1

YX-114-100-M8

133

19

38

27

32

50

22.3

Ø24.3

M8

M24X1

YX-112-10-M3

57

10

17

13

16

20

/

Ø10.3

M3

M10X1

YX-112-16-M4

77

14

27

22

18

31

14.3

Ø16.3

M4

M16X1

YX-112-32-M4

75

12

22

17

18

31

10.3

Ø12.3

M4

M12X1

YX-112-63-M6

96

14

25

22

26

30

14.3

Ø16.3

M6

M16X1

YX-112-100-M8

113

16

32

27

32

33

18.3

Ø20.3

M8

M20X1

YX-124-10-M3

107

12

20

17

16

66

10.3

Ø12.3

M3

M12X1

YX-124-16-M4

106

12

20

17

18

61

10.3

Ø12.3

M4

M12X1

YX-124-32-M4

106

12

20

17

18

61

10.3

Ø12.3

M4

M12X1

YX-124-63-M6

173

16

32

27

26

105

18.3

Ø20.3

M6

M20X1

YX-124-100-M8

200

16

32

27

32

120

18.3

Ø20.3

M8

M20X1

YX-122-10-M3

140

12

20

17

16

99

10.3

Ø12.3

M3

M12X1

YX-122-16-M4

148

14

25

22

18

101

14.3

Ø16.3

M4

M16X1

YX-122-32-M4

148

14

25

22

18

101

14.3

Ø16.3

M4

M16X1

YX-122-63-M6

189

19

54

41

26

118

24.3

Ø27.3

M6

M27X1.5

YX-122-100-M8

227

19

54

41

32

144

24.3

Ø27.3

M8

M27X1.5

典型插入损耗 Typical insertion Loss (50Ω测试系统,IEC/CISPR NO.17出版物)


719acd28ecb7397c91ca8a4486265c6.png


YX-114-10-M3

5e20373b48875a4c7c8c19bc84dbaa8.png


YX-124-10-M3



关联产品
立即咨询
姓名*
电话*
邮箱
留言内容*
验证码*
  
其他产品
热门产品