分类
特 点 Features
● 高性能电源滤波器。High performance power filter.
● 泄漏电流小。The leakage current is small.
● 常规通用,安装方便。General purpose, easy to install.
应 用 Application
● 大多数数字设备(尤其开关电源),可用来抑制连续或间隙性
脉冲干扰,尤其适用于低阻抗负载场合。
Most digital devices, especially switching power supplies,
can be used to suppress continuity or gap Pulse interference,
especially suitable for low impedance load.
性能指标 Characteristcs
额定电压Rated voltage | 250VAC,50/60Hz;250VDC |
工作频率 Operating Frequency | DC~400Hz |
额定电流Rated curren | 1A~80A@40℃max. |
耐压试验 (60s) Test Voltage | 1500VDC(线-线Line - line) 1500VAC(线-地Line - ground) 3000VDC/2S |
气候类别 Climate category | 25/100/21 |
产品型号表 Filter Table
型号 model | 接线方式:输入输出 | 额定电流A Rated curren | MAX泄漏电流mA leakage current | 放电电阻KΩ resistance | 电路图Fig. Circuit diagram | 外形尺寸Fig. Outline Drawing | ||
|
| ![]() | ||||||
YX-212-1- | TT | WW | 1 | 0.7 | 1000 | 1 | 1 | |
YX-212-3- | TT | WW | 3 | 0.7 | 470 | 1 | 1 | |
YX-212-6- | TT | WW | 6 | 0.7 | 220 | 1 | 2 | |
YX-212-10- | TT | WW | SS | 10 | 0.7 | 220 | 1 | 2/4 |
YX-212-16- | TT | WW | SS | 16 | 0.7 | 220 | 1 | 3/4 |
YX-212-25- | SS | 25 | 0.7 | 220 | 1 | 5 | ||
YX-212-36- | SS | 36 | 0.7 | 220 | 1 | 5 | ||
YX-222-50- | SS | 50 | 1.0 | 1000 | 2 | 6 | ||
YX-222-80- | SS | 80 | 0.8 | 680 | 2 | 7 | ||
电原理图Typical Circuit Diagram

Fig.1 Fig.2
插入损耗 Insertion LOSS in dB (50Ω测量系统,IEC/CISPR No.17号出版物)

1A 3A 6A

10A 16A 25A

36A 50A 80A
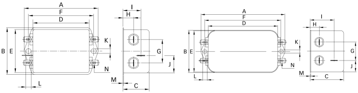
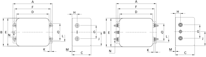
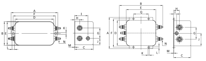
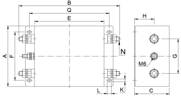
外形尺寸图 Outline Drawing : mm

Fig.1 (1A~3A) Fig.2 (6A~10A)

Fig.3 (16A) Fig.4 (10~16A)

Fig.5 (25~36A) Fig.6 (50A)

Fig.7 (80A)
外形尺寸Fig. | A | B | C | D | E | F | G | H | I | J | K | L | M | N | Q |
1 (1A) | 85 | 54 | 30.3 | 64.8 | 49.8 | 75 | 27 | 12.3 | 20.8 | 19.9 | 5.3 | 6.3 | 0.7 | 6.3×0.8 | |
1 (3A) | 85 | 54 | 40.3 | 64.8 | 49.8 | 75 | 27 | 12.3 | 29.8 | 11.4 | 5.3 | 6.3 | 0.7 | 6.3×0.8 | |
2 (6A) | 113.5 | 57.5 | 45.4 | 94 | 56 | 103 | 25 | 12.4 | 32.4 | 15.5 | 4.4 | 6 | 1 | 6.3×0.8 | |
2 (10A) | 156 | 57.5 | 45.4 | 130.5 | 56 | 143 | 25 | 12.4 | 32.5 | 15.5 | 5.3 | 6 | 1 | 6.3×0.8 | |
3 (16A) | 119 | 85.5 | 57.6 | 98.5 | 84.5 | 109 | 40 | 15.6 | 42.25 | 4.4 | 7.4 | 1.2 | 6.3×0.8 | ||
4 (10A) | 156 | 57.5 | 45.4 | 130.5 | 56 | 143 | 25 | 12.4 | 32.5 | 15.5 | 5.3 | 6 | 1 | M4 | |
4 (16A) | 119 | 85.5 | 57.6 | 98.5 | 84.5 | 109 | 40 | 15.6 | 42.25 | 4.4 | 7.4 | 1.2 | M4 | 51 | |
5 (25~36A) | 156 | 57.5 | 45.4 | 130.5 | 56 | 143 | 25 | 12.4 | 32.5 | 15.5 | 5.3 | 6 | 1 | M4 | |
6 (50A) | 130 | 180 | 50 | 100 | 120 | 115 | 50 | 30 | 30 | 50 | 6.5 | 4.5 | 1.2 | M6 | 80 |
7 (80A) | 125 | 280 | 90 | 220 | 96 | 81 | 50 | 6.4 | 9.4 | M8 | 243 |
CopyRight © 2025 常州市南宫ng28有限公司 版权所有 苏ICP备2022034447号-1 网站地图 所有标签 免责声明 中环互联网常州网站建设