分类
特 点 Features
● 两级共模加差模高性能电源滤波器。Two stage common mode plus
differential mode high performance power filter.
● 泄漏电流小。The leakage current is small.
● 底板式安装,简单方便。Bottom plate installation, simple and convenient.
应 用 Application
● 大多数数字设备(尤其开关电源),可用来抑制连续或间隙性脉冲干扰,尤其适用于低阻抗负载场合。
性能指标 Characteristcs
额定电压Rated voltage | 250VAC,50/60Hz;250VDC |
工作频率 Operating Frequency | DC~400Hz |
额定电流Rated curren | 1A~100A@40℃max. |
耐压试验 (60s) Test Voltage | 1500VDC(线-线Line - line) 1500VAC(线-地Line - ground) 3000VDC/2S |
气候类别 Climate category | 25/100/21 |
产品型号表 Filter Table
型号 model | 接线方式:输入输出 | 额定电流A Rated curren | MAX泄漏电流mA leakage current | 放电电阻KΩ resistance | 电路图Fig. Circuit diagram | 外形尺寸Fig. Outline Drawing | ||
|
|
| ||||||
YX-213-1- | TT | 1 | 0.5 | 1000 | 1 | 1 | ||
YX-213-6- | TT | 6 | 0.5 | 1000 | 1 | 1 | ||
YX-213-10- | SS | 10 | 0.5 | 1000 | 1 | 2 | ||
YX-223-15- | WW | SS | 15 | 0.5 | 1000 | 2 | 3 | |
YX-223-20- | WW | SS | 20 | 0.5 | 1000 | 2 | 3 | |
YX-223-30- | WW | SS | 30 | 0.5 | 1000 | 2 | 3 | |
YX-223-40- | SS | 40 | 0.8 | 680 | 2 | 3 | ||
YX-223-100- | SS | 100 | 1.0 | 1000 | 2 | 3 | ||
电原理图Typical Circuit Diagram

Fig.1 Fig.2
插入损耗 Insertion LOSS in dB (50Ω测量系统,IEC/CISPR No.17号出版物)

1A~6A 10A 15A

20A 30A 40A


100A
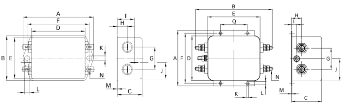
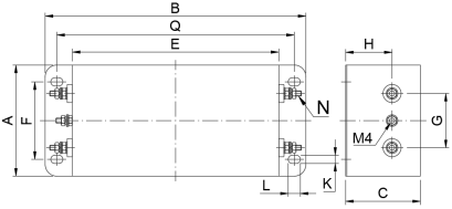
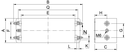
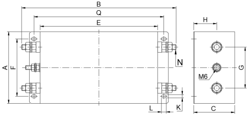
外形尺寸图 Outline Drawing : mm

Fig.1 (1A~6A) Fig.2 (10A)

Fig.3 (15~30A)

Fig.4 (40A)

Fig.5 (100A)
外形尺寸Fig. | A | B | C | D | E | F | G | H | I | J | K | L | M | N |
1 (1A) | 85 | 54 | 30.3 | 64.8 | 49.8 | 75 | 27 | 12.3 | 20.8 | 19.9 | 5.3 | 6.3 | 0.7 | 6.3×0.8 |
1 (6A) | 113.5 | 57.5 | 45.4 | 94 | 56 | 103 | 25 | 12.4 | 32.4 | 15.5 | 4.4 | 6 | 0.7 | 6.3×0.8 |
2 (10A) | 105 | 134.5 | 38.5 | 84 | 98.5 | 95.3 | 38 | 19 | 19 | 42 | 6.5 | 4.5 | 1 | M4 |
3 (15~30A) | 86 | 202 | 58 | 160 | 60 | 42 | 36 | 6.4 | 9.4 | 1 | M4 | |||
4 (40A) | 100 | 280 | 90 | 220 | 70 | 58 | 50 | 6.4 | 9.4 | 1 | M6 | |||
5 (100A) | 125 | 280 | 90 | 220 | 96 | 81 | 50 | 6.4 | 9.4 | 1 | M8 |
CopyRight © 2025 常州市南宫ng28有限公司 版权所有 苏ICP备2022034447号-1 网站地图 所有标签 免责声明 中环互联网常州网站建设